ТЕЛЕМАТИЧЕСКИЙ
ИНТЕРФЕЙС S6

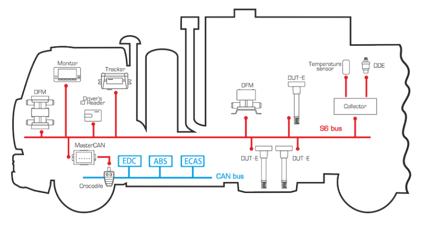
S6 – система кабелей и протоколов на базе SAE J1939, предназначенная для сбора информации от дополнительных датчиков и периферийных устройств совместно с получением данных от одной или нескольких штатных CAN шин автомобиля.
ОСОБЕННОСТИ
совместимый протокол
кабельная система
телематических SPN

ПРЕИМУЩЕСТВА S6
СИСТЕМНЫЙ ИНТЕГРАТОР
Возможность контролировать большое количество параметров работы машины одним терминалом. Значительное расширение функциональности системы. Модульность, наращиваемость бортового оборудования. Решение задачи комплексного контроля сложных машин
ИНЖЕНЕР-СХЕМОТЕХНИК
Возможность оставить в терминале только один интерфейс – CAN
ПРОГРАММИСТ
Информативное дополнение к стандартным протоколам. Простая интеграция датчиков и периферии
УСТАНОВЩИК
Отдельная система – цифровая шина и устройства на ней, специально предназначенная для решения телематических задач. Подключение к питанию в одной точке. Вероятность ошибок установки сведена к минимуму
АРХИТЕКТУРА S6
